Комплексные поставки промышленного оборудования

Мотор-редуктор МЧ 160-80-11,4-51-1-1-К1-У1 с дв. 3х1000

 

Мотор-редуктор МЧ 160Среди современных червячных мотор-редукторов одноступенчатого типа выделяется МЧ-160. Эту модель выпускает ООО «Завод Редуктор».

В состав данного оборудования входят такие компоненты, как электрический мотор, редуктор одноступенчатый, отличающийся червячной передачей.

Такой мотор-редуктор активно используется для комплектации разнообразной техники, которая отличается типом привода.

В состав данной модели могут входить полые, цилиндрические или же конические типы валов, которые дополнены шлицем. Непосредственно привод поставляется в 4 вариациях.

Купить товар

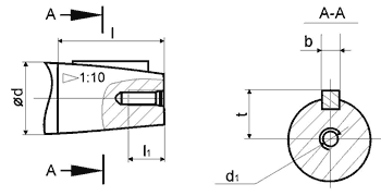
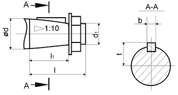
Присоединительные размеры выходного вала МЧ-160-80-11,4-51

исполнение Ц – цилиндрический:

исполнение Ц – цилиндрический

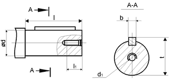
исполнение Кв – конический с внутренней резьбой:

исполнение Кв – конический с внутренней резьбой

исполнение Кн – конический с наружной резьбой:

исполнение Кн – конический с наружной резьбой

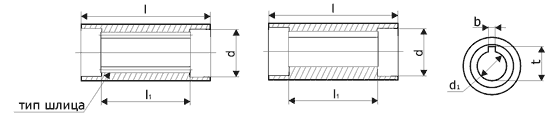
Присоединительные размеры полых валов

Пшл – полый, шлицевой; Пшп – полый, шпоночный

Присоединительные размеры полых валов

При этом на сайте предприятия-производителя можно найти основные параметры, габариты и технические характеристики таких элементов, как электрический двигатель, тихоходный вал, прочее.

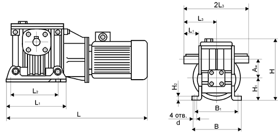
Габаритные и присоединительные размеры мотор-редуктора

Габаритные и присоединительные размеры

Варианты крепления мотор-редуктора МЧ-160

Вариант крепленичя мотор-редуктора

1 и 2 - крепление на лапах, 3 и 4 - фланцевое исполнение

Варианты сборки

варианты сборки

Редуктор с полым шлицевым тихоходным валом - варианты 55 и 66. Варианты сборки указаны при расположении червяк под колесом.

Варианты расположения червячной пары МЧ-160

Варианты расположения червячной пары:

К - колесо, Ч - червяк. Схема в вертикальной плоскости. Варианты 3 и 4 указывают на положение, в котором выходной конец червяка расположен со стороны наблюдателя.

Условия использования редукторов МЧ-160

Пользоваться таким мотором-редуктором можно в разнообразных условиях:

  • Как постоянная, так и переменная нагрузка не должна быть больше, чем зафиксированный в технической документации крутящий момент.
  • Входящие в состав валы вращаются в две стороны.
  • При подборе модели важно учитывать условия эксплуатации. Ведь агрегаты отличаются климатическим исполнением.
  • Пользоваться устройством можно и на определенной высоте. Так, допускается высота в 1 000 метров и более.

Особенности червячного мотор-редуктора МЧ-160-80-11,4-51

Представленная модель МЧ-160 может применяться только во взрывобезопасной и неагрессивной среде.

К ключевым преимуществам причислены такие, как повышенная надежность, длительность эксплуатации, а также возможность восстановления работоспособности.

Для того, чтобы узнать стоимость агрегата, стоит связаться с нашими сотрудниками, ведь цена зависит от передаточного числа, а также варианта исполнения.

Технические характеристики мотора-редуктора МЧ-160 следующие:

  • передаточное номинальное число составляет: 8; 10; 12,5; 16; 420; 25; 31,5; 40; 50; 63 и 80;
  • частота вращения входного вала составляет 1500 об/мин.;
  • номинальный крутящий момент на выходном валу составляет: 1860; 1760; 1670; 2190; 1860; 1860; 2460; 2080; 1860; 1760 и 1480;
  • максимальная мощность электродвигателя при 1500 об/мин. составляет: 37,1; 28,3; 21,8; 22,5; 15,7; 12,9; 14,1 ; 9,7; 7,3; 5,7 и 3,9 кВт.;
  • Технические характеристики мотора-редуктора МЧ-160КПД составляет: 94; 93; 92; 91; 89; 86; 83; 80; 76; 73 и 71%;
  • допускаемая радиальная нагрузка на входном валу составляет 1200 Н., а на выходном - 12150 Н.;
  • корригированный уровень зв. мощности - 94 ДБА;
  • электродвигатель - АИР 100, АИР 112, АИР 132;
  • номинальный крутящий момент на выходном валу дан при повторно-кратковременном режиме при ПВ 40%;
  • весит мотор-редуктор МЧ-160 не более 130кг.

Основные технические характеристики МЧ-160

Передаточное число номинальное

8

10

12,5

16

20

25

31,5

40

50

63

80

Частота вращения вх .в ала , об/мин

1500

Номинальный крутящий момент на вых .в алу , Н·м

1860

1760

1670

2190

1860

1860

2460

2080

1860

1760

1480

Максимальная мощность электродвигателя при 1500 об / мин , кВт.

37,1

28,3

21,8

22,5

15,7

12,9

14,1

9,7

7,3

5,7

3,9

КПД, %

94

93

92

91

89

86

83

80

76

73

71

Допускаемая радиальная нагрузка, Н

вх .в ал

1200

вых .в ал

12150

Корригированный уровень зв .м ощности , ДБА

94

Масса, кг не более

130

Электродвигатель

АИР 100, АИР 112, АИР 132

Номинальный крутящий момент на выходном валу дан при повторно-кратковременном режиме при ПВ 40%

Новости